乐赢体赢十大真人网

products

产品中心

产品类别

Category

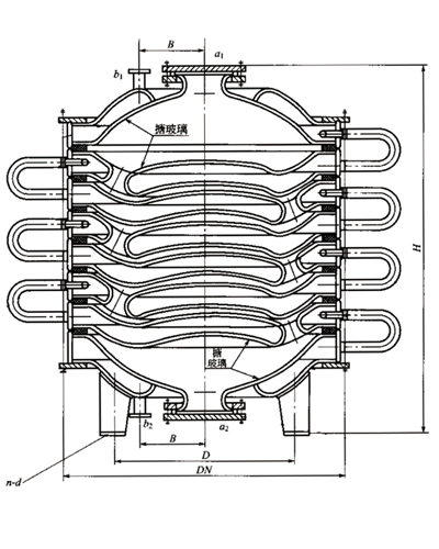
搪玻璃碟片式冷凝器

碟片式冷凝器的器内公称压力≤0.25MPa,夹层内公称压力≤0.25MPa,被冷凝介质温度 0-200℃。超出上述范围需定做。

扫一扫

浏览我司移动平台

江苏鑫科天建化工设备制造有限公司 版权所有(C)2024 网络支持 著作权声明 网站地图